久草福利在线观看,黄网站欧美内射,在线看的片片片免费

產品目錄
聯系報價
緊急熱線
聯系銷售
服務與解決方案
翼凱機械為耐磨材料解決方案專家。我們竭誠為您產線提供一站式耐磨材料解決方案服務和科學解決方案,同時為您節省成本以及精力。向您提供專業的解決方案是我們的強項。上海翼凱機械設備有限公司積極帶給您國內外的材料技術解決方案,同時還為您提供專業的技術指導以及支持服務。
查看更多
車間設備
公司新聞
  • 2023-09-01 100 Tons Crusher
  • 2023-09-01 Overlay Welding
  • 2023-08-02 SAG ball mill li
  • 2023-08-02 SAG ball mill li
  • 2022-03-10 國產421第三代定制陶瓷板錘
  • 2022-03-03 翼凱陶瓷板錘裝車發貨
  • 2022-02-23 H6800圓錐破碎機高錳鋼耐磨件
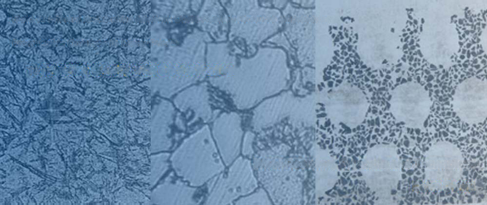
質量控制
查看更多>>
我們嚴肅認真對待產品質量!翼凱機械質量控制體系控制產品原材料,化成成份,尺寸精度,金相組織,產品內部以及表面質量等。產品的質檢標準嚴格按照國標GB,也可以美標ASTM等其他執行并驗收。
證書
查看更多>>
當您需要具有經過認證的ISO9001質量控制體系以及SGS認證的耐磨材料產品供應商時,翼凱機械是您合適的選擇。我們有強烈的質量控制意識以及完善的質量控制體系。 所有的產品合格后,方可入庫發貨。
客戶反饋
查看更多>>
翼凱機械始終與客戶保持良好的溝通,聽取他們對我們產品質量的反饋。我們希望通過客戶反饋來完善我們的產品 … 查看更多
佳木斯市 曲松县 马尔康县 兴化市 南漳县 遂川县
锦屏县 湖南省 慈溪市 内乡县 唐山市 长汀县
山东 色达县 喜德县 宝应县 安丘市 松潘县
泛站蜘蛛池模板: 桦南县| 瓦房店市| 会泽县| 绥阳县| 襄樊市| 洛川县| 通化市| 兰考县| 临夏县| 江西省| 舟山市| 巴中市| 营口市| 塔城市| 建德市| 辉县市| 睢宁县| 洪雅县| 芮城县| 眉山市| 潮安县| 平定县| 北辰区| 内丘县| 神木县| 大关县| 陇西县| 长汀县| 和政县| 淳安县| 土默特左旗| 临西县| 太湖县| 游戏| 家居| 民和| 苏尼特左旗| 略阳县| 玉龙| 金华市| 凤阳县|